關鍵字:UPS 不間斷電源 閉環霍爾電流傳感器
前言:介紹了基于霍爾閉環原理, UPS的原理及分類,霍爾電流傳感器在UPS中的作用及如何選用霍爾電流傳感器。
1 UPS應用及分類
1.1 UPS作為英文縮寫有很多含義,電源類UPS的中文意思為“不間斷電源”,是英語“Uninterruptible Power Supply”的縮寫。為了保證任何情況下的正常供電,許多重要場合除工業電網正常供電外,還都需要配備不間斷供電設備。UPS電源是保障供電穩定和連續性的重要設備,其主機智能化程度高,儲能部分采用免維護蓄VRLA電池。
伊頓UPS 重要的機房都需要UPS保護
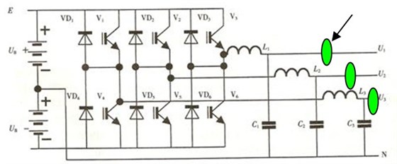
2 UPS的原理
在線式UPS原理圖
電能的存儲單元是一組或多組并聯的蓄電池組,在市電切斷的情況下迅速通過DC/AC逆變器輸出電流給負載。輸入的市電往往因為電網干擾的問題,并不是非常標準的正弦波形,而經過UPS的AC/DC/AC雙變換以后就可以輸出非常純凈的正弦波形了。
3.1 霍爾效應及霍爾器件
霍爾效應是霍爾技術應用的理論基礎,當通有小電流的半導體薄片置于磁場中時(如圖1),半導體內的載流子受洛倫茲力的作用發生偏轉,使半導體兩側產生電勢差,該電勢差即為霍爾電壓VH,VH與磁感應強度B及控制電流IC成正比,經過理論推算有式(1)關系。
VH=(RH/d)×B×IC(1)式中:B為磁感應強度;IC為控制電流;RH為霍爾系數;d為半導體厚度。
式(1)中,若保持控制電流IC不變,在一定條件下,可通過測量霍爾電壓推算出磁感應強度的大小,由此建立了磁場與電壓信號的聯系。根據這一關系式,人們研制出了用于測量磁場的半導體器件,即霍爾器件。

霍爾效應原理 霍爾閉環電流傳感器原理
當原邊電流Ip穿過帶有氣隙的聚磁環,放在氣隙中的霍爾元件會檢測到與電流大小成比例關系的磁通,并輸出小電壓信號,該電壓信號被放大器后驅動副繞組,該繞組形成的磁通與原邊電流形成的磁通正好矢量和為零,此時副邊線圈的Is電流能真實的反映原邊電流的波形及大小,Is=Ip/N ,N為副邊繞組的匝數。
開環霍爾電流傳感器的應用很廣泛,主要是有以下幾個重要特點:1.反應快 ,小于1uS,2.精度高 3.低溫漂4.線性度好
閉環電流傳感器外形
4. 霍爾閉環傳感器在UPS中的應用

閉環霍爾電流傳感器被用于測量輸出的電流,UPS控制器根據此電流進行反饋和保護。
5 結束語
越來越多的場合需要用電的絕對安全,比如半導體芯片制造行業,化工過程控制,信息指揮中心等,這些場合也會越來越多的選擇高可靠性的UPS做為后備電源。PAS閉環電流傳感器以優異的性能,比如低溫漂,反應速度快,線性度高,高精確度等特點被越來越多的UPS廠家所使用,成為和IGBT一樣的電力電子系統的核心產品。
HPIT-C25-1000S超高精度電流傳感器
HPIT-C25-200S超高精度電流傳感器
HPITM-C32-1000P5O16
FIA-C08-100P4O10