一種安全可靠的測量靜電除塵裝置中直流母線電壓的方案
關鍵字:靜電除塵,直流母線電壓,光電隔離電壓傳感器
本文介紹了基于光電隔離芯片HCNR201的直流電壓傳感器在靜電除塵中裝置中直流母線電壓的測量經驗。由于采用了光電隔離原理,這種測量方案具有高抗干擾的特性,實踐證明運行穩定可靠,具有其他原理不具有的優點。
1、引言
我國多年的粗放發展導致了嚴重的空氣污染,在節能減排的巨大任務壓力下,大量未進行改造的煙塵排放企業急于找到有效的解決煙塵污染的方案。在這些方案中,靜電除塵技術因其可靠性高,有效性好的特點被廣泛采用。
煙塵被強制通過具有高壓直流電場的正負極板之間,帶有負電荷的煙塵被吸附在陽極的極板上,通過定時敲打或自重落地,煙塵被可靠收集在位于裝置下方的容器內,從而在靜電除塵設備的出口排出不帶灰塵的清潔空氣。
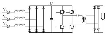
老式的靜電除塵裝置采用的是工頻電源裝置,因其耗材多,損耗大,效率低,功率因數低等缺點已很少被采用,而是采用新式的高頻電源設備。現代的靜電除塵裝置中,最核心的是其高頻電源。按照功能,高頻電源主要由交流電抗器、整流電路、IGBT全橋逆變、高頻升壓器和高壓整流硅堆組成,如圖
直流母線電壓U1的準確可靠測量關系到整個系統的安全。傳統的采用霍爾電壓傳感器的測量方法存在種種缺點,比如精度低,抗dv/dt干擾能力差,溫漂顯著、低電壓時誤差大等。因此有必要找到一種隔離性能好,抗干擾能力強,線性度和精度高,可靠性和穩定性好的測量方案,以取代不穩定的測量方案。
電除塵設備使用現場 電除塵設備的升壓裝置及控制單元
2、直流電壓傳感器GDU1-C51的工作原理
GDUI-C51直流電壓傳感器 直流電壓傳感器GDUI-C51原理圖
GDU1-C51采用高性能工業級線性光電耦合器HCNR201芯片,測量經電阻網絡分壓后的電壓,然后調整成適當的信號輸出,如DC0-5V,0-10V,4-20mA等。 因基于線性光電隔離原理,該傳感器已經在大量現場干擾嚴重的場合(比如高壓放電,電火花機床等)得到應用,表現出良好的適應性。該傳感器完全替代霍爾原理的電壓傳感器后,其溫漂、抗干擾能力、小電壓測量能力等均表現優異。
3、直流電壓變送器GDU1-C51的特點
該直流電壓傳感器由于采用了先進的線性光電耦合芯片,整體可靠性很高,具有優異的性能,特點如下:
1.采用線性光電隔離技術,實現了高抗干擾能力和高可靠性。
2.直流0-1000V測量范圍
3.高線性度和精度.
4.集成化程度高,可選擇多種輸出.
5.體積小,牢固可靠,導軌安裝
4、 結束語
在高干擾的環境中,電壓測量尤其不易,要求電壓傳感器具有很高的抗干擾能力和高可靠性,并要有足夠的隔離能力。基于線性光電耦合原理的GDU1-C51系列電壓傳感器,因天然具有的高抗干擾能力,高可靠性,多年來已經在高壓靜電除塵行業大量應用,表現優異。
上一篇:開關量電流變送器在游樂設備中的應用 下一篇:真有效值(TRMS)電流變送器在玻璃加工行業的應用
- 2022-10-21專用的蓄電池監控電流傳感器
- 2020-03-19變頻器負載如何做電流過載保護?
- 2020-02-10磁通門高壓電壓傳感器FV家族又添新成員
- 2019-12-31柏艾斯科技推出非接觸式交流測量微安表(AC uA-Meter)
- 2019-10-24柏艾斯科技推出基于羅氏線圈技術的真有效值電流變送器
- 2019-09-06磁通門電流傳感器在直流電源系統有源逆變電網回饋裝置中的應用
責任編輯:柏艾斯編輯部
版權所有:http://m.cqkckf.com 轉載請注明出處
本文標簽:電流變送器選型 電流變送器型號 電壓傳感器原理
熱點聚焦
24小時定制電話:010-89494921






