閉環電流傳感器在UPS上的應用
關鍵字:UPS 不間斷電源 閉環霍爾電流傳感器
前言:介紹了基于霍爾閉環原理, UPS的原理及分類,霍爾電流傳感器在UPS中的作用及如何選用霍爾電流傳感器。
1 UPS應用及分類
1.1 UPS作為英文縮寫有很多含義,電源類UPS的中文意思為“不間斷電源”,是英語“Uninterruptible Power Supply”的縮寫。為了保證任何情況下的正常供電,許多重要場合除工業電網正常供電外,還都需要配備不間斷供電設備。UPS電源是保障供電穩定和連續性的重要設備,其主機智能化程度高,儲能部分采用免維護蓄VRLA電池。
伊頓UPS 重要的機房都需要UPS保護
2 UPS的原理
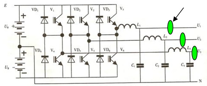
在線式UPS原理圖
電能的存儲單元是一組或多組并聯的蓄電池組,在市電切斷的情況下迅速通過DC/AC逆變器輸出電流給負載。輸入的市電往往因為電網干擾的問題,并不是非常標準的正弦波形,而經過UPS的AC/DC/AC雙變換以后就可以輸出非常純凈的正弦波形了。
3.1 霍爾效應及霍爾器件
霍爾效應是霍爾技術應用的理論基礎,當通有小電流的半導體薄片置于磁場中時(如圖1),半導體內的載流子受洛倫茲力的作用發生偏轉,使半導體兩側產生電勢差,該電勢差即為霍爾電壓VH,VH與磁感應強度B及控制電流IC成正比,經過理論推算有式(1)關系。
VH=(RH/d)×B×IC(1)式中:B為磁感應強度;IC為控制電流;RH為霍爾系數;d為半導體厚度。
式(1)中,若保持控制電流IC不變,在一定條件下,可通過測量霍爾電壓推算出磁感應強度的大小,由此建立了磁場與電壓信號的聯系。根據這一關系式,人們研制出了用于測量磁場的半導體器件,即霍爾器件。

霍爾效應原理 霍爾閉環電流傳感器原理
當原邊電流Ip穿過帶有氣隙的聚磁環,放在氣隙中的霍爾元件會檢測到與電流大小成比例關系的磁通,并輸出小電壓信號,該電壓信號被放大器后驅動副繞組,該繞組形成的磁通與原邊電流形成的磁通正好矢量和為零,此時副邊線圈的Is電流能真實的反映原邊電流的波形及大小,Is=Ip/N ,N為副邊繞組的匝數。
開環霍爾電流傳感器的應用很廣泛,主要是有以下幾個重要特點:1.反應快 ,小于1uS,2.精度高 3.低溫漂4.線性度好
閉環電流傳感器外形
4. 霍爾閉環傳感器在UPS中的應用
閉環霍爾電流傳感器被用于測量輸出的電流,UPS控制器根據此電流進行反饋和保護。
5 結束語
越來越多的場合需要用電的絕對安全,比如半導體芯片制造行業,化工過程控制,信息指揮中心等,這些場合也會越來越多的選擇高可靠性的UPS做為后備電源。PAS閉環電流傳感器以優異的性能,比如低溫漂,反應速度快,線性度高,高精確度等特點被越來越多的UPS廠家所使用,成為和IGBT一樣的電力電子系統的核心產品。
上一篇:一種判斷真有效值電流變送器真偽的簡單方法 下一篇:如何解決霍爾電流傳感器在高頻整流電源應用中發熱的問題
- 2022-10-21專用的蓄電池監控電流傳感器
- 2020-03-19變頻器負載如何做電流過載保護?
- 2020-02-10磁通門高壓電壓傳感器FV家族又添新成員
- 2019-12-31柏艾斯科技推出非接觸式交流測量微安表(AC uA-Meter)
- 2019-10-24柏艾斯科技推出基于羅氏線圈技術的真有效值電流變送器
- 2019-09-06磁通門電流傳感器在直流電源系統有源逆變電網回饋裝置中的應用
責任編輯:柏艾斯編輯部
版權所有:http://m.cqkckf.com 轉載請注明出處
本文標簽:電流變送器選型 電流變送器型號 電壓傳感器原理
熱點聚焦
24小時定制電話:010-89494921






